
一、德科電磁振動給料機概述
GZ系列電磁振動給料機又稱電磁振動喂料機等。該給料機用于把物料從貯料倉或其它貯料設備中均勻或定量的供給到受料設備中,是實行流水作業自動化的必備設備。
二、德科GZ電磁振動給料機優勢
1、結構簡單,喂料均勻
2、電磁振動給料機電氣控制采用半波整流電路,可無級調節給料量
3、可用于自動控制的生產流程中,實現生產過程自動化
4、無轉動零部件,不需潤滑,結構簡單,維修方便
5、電磁振動給料機物料是微拋運動,料槽磨損小
6、電磁振動給料機可采用合適板材制成的料槽,可適用輸送高溫磨損嚴重及有腐蝕性的物料等
三、德科電磁振動喂料機工作原理
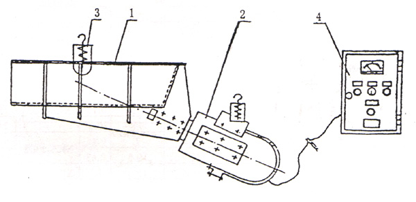
德科生產的電磁振動給料機運用了機械振動學的共振原理,雙質體在低臨界近共振狀態下工作。給料槽中的物料在給料過程中連續地被拋起,并按拋物線的軌跡向前進行跳躍運動。本系列電磁振動機的控制設備采用了可控硅半波整流線路,因此在使用過程中可以通過調節可控硅開放角的辦法方便地無級地調節給料量,并可以實現生產流程的集中控制和自動控制。
四、電磁振動給料機的用途
德科電磁振動給料機廣泛應用于糧食、機械、輕工、冶金、礦山、煤炭、化工、電力等各行業,例如向帶式輸送機、圓振動篩篩分設備等給料;對粉碎機等喂料,和在自動配料,定量包裝等,并可用自動控制的流程中,實現生產流程自動化。
五、關于電磁振動給料機的型號定制
GZ系列電磁振動給料機可根據用戶要求制成以下型式:
1、基本型 2、封閉型
3、上振型 4、寬槽型
5、圓管型 6、特大型
一、德科GZ電磁振動給料機主要技術參數:
| 類型 | 型號 | 生產率(t/h) | 給料粒度(mm) | 雙振幅(mm) | 供電電壓(V) | 電流(A) | 有功功率(KW) | 配套挖制箱型號 | 設備總重(kg) | ||
| 水平 | -10 | 工作電流 | 表示電流 | ||||||||
| 基 本 型 |
GZ1 | 5 | 7 | 50 | 1.75 | 220 | 1.34 | 1 | 0.06 | XKZ-5G2 | 73 |
| GZ2 | 10 | 14 | 50 | 3.0 | 2.3 | 0.15 | 146 | ||||
| GZ3 | 25 | 35 | 75 | 4.85 | 3.8 | 0.2 | 217 | ||||
| GZ4 | 50 | 70 | 100 | 8.4 | 7 | 0.45 | XKZ-20G2 | 412 | |||
| GZ5 | 100 | 140 | 150 | 12.7 | 10.6 | 0.65 | 656 | ||||
| GZ6 | 150 | 210 | 200 | 1.5 | 380 | 16.4 | 13.3 | 1.5 | XKZ-20G3 | 1252 | |
| GZ7 | 250 | 350 | 250 | 24.6 | 20 | 3 | XKZ-200G3 | 1920 | |||
| GZ8 | 400 | 560 | 300 | 39.4 | 32 | 4 | 3040 | ||||
| GZ9 | 600 | 840 | 350 | 47.6 | 38.6 | 5.5 | 3750 | ||||
| GZ10 | 750 | 1050 | 500 | 39.4X2 | 32X2 | 4X2 | XKZ-200G3 | 6495 | |||
| GZ11 | 1000 | 1400 | 500 | 47.6X2 | 38.6X2 | 5.5X2 | 7680 | ||||
| 上 振 型 |
GZ3S | 25 | 35 | 72 | 1.75 | 220 | 4.85 | 3.8 | 0.2 | XKZ-5G2 | 242 |
| GZ4S | 50 | 70 | 100 | 8.4 | 7 | 0.45 | XKZ-20G2 | 457 | |||
| GZ5S | 100 | 140 | 150 | 12.7 | 10.6 | 0.65 | 666 | ||||
| GZ6S | 150 | 210 | 200 | 1.5 | 380 | 16.4 | 13.3 | 1.5 | XKZ-20G3 | 1246 | |
| GZ7S | 250 | 350 | 250 | 24.6 | 20 | 3 | XKZ-200G3 | 1960 | |||
| GZ8S | 400 | 560 | 300 | 39.4 | 32 | 4 | 3303 | ||||
| 封 閉 型 |
GZ1F | 4 | 5.6 | 40 | 1.75 | 220 | 1.34 | 1 | 0.06 | XKZ-5G2 | 77 |
| GZ2F | 8 | 11.2 | 40 | 3.0 | 2.3 | 0.15 | 154 | ||||
| GZ3F | 20 | 28 | 60 | 4.85 | 3.8 | 0.2 | 246 | ||||
| GZ4F | 40 | 56 | 60 | 8.4 | 7 | 0.45 | XKZ-20G2 | 464 | |||
| GZ5F | 80 | 112 | 80 | 12.7 | 10.6 | 0.65 | 668 | ||||
| GZ6F | 120 | 168 | 80 | 1.5 | 380 | 16.4 | 13.3 | 1.5 | XKZ-20G3 | 1278 | |
| 寬 槽 型 |
GZ5K1 |
|
200 | 100 | 1.5 | 220 | 25.4 | 21.2 | 1.3 | XKZ-50G2 | 1316 |
| GZ5K2 |
|
240 | 1343 | ||||||||
| GZ5K3 |
|
270 | 1376 | ||||||||
| GZ5K4 |
|
300 | 1408 | ||||||||
| 圓 管 型 |
GZ1G | 2 |
|
50 | 1.75 | 220 | 1.34 | 1 | 0.06 | XKZ-5G2 | 80 |
| GZ2G | 4 |
|
50 | 3.0 | 2.3 | 0.15 | 154 | ||||
| GZ3G | 10 |
|
60 | 4.58 | 3.8 | 0.2 | 234 | ||||
| GZ4G | 20 |
|
70 | 8.4 | 7 | 0.45 | XKZ-20G2 | 448 | |||
| GZ5G | 40 |
|
80 | 12.7 | 10.6 | 0.65 | 668 | ||||
| 特 大 型 |
GZ11-T | 1000(以比重0.85煤給出) | 300 | 1.5 | 380 | 47.6X2 | 38.6X2 | 5.5X2 | XKZ-200G3 | 9800 | |

